
SL型耐腐蝕玻璃鋼管道泵產品概述:
SL 耐腐蝕玻璃鋼管道泵以其優異的耐腐蝕性能和高效的輸送能力逐漸受到用戶的青睞。該型泵由上海意嘉泵業采用先進的電腦設計和優化,結合酚醛玻璃鋼材料精心制造而成。SL型酚醛玻璃鋼管道泵是一種單級單吸離心管道泵,其獨特之處在于溢流部分采用了改性酚醛玻璃鋼材料。經過高溫高壓處理,這種材料具有很強的耐腐蝕性和耐高溫性。它的優勢不僅體現在化學性質上,還體現在物理性質上。這種材料重量輕,比強度高,不變形,使泵具有優異的耐腐蝕性能,同時也保證了其便攜性和長期使用的穩定性。
SL耐腐蝕玻璃鋼管道泵設計選型先進,結構簡單,運行平衡,性能可靠。其高效低耗的特點使其在運行過程中節省了大量的能源。此外,維護方便,只需日常維護和檢查,無需頻繁維護和更換零部件,大大降低了運營成本。在整體技術水平上,SL耐腐蝕玻璃鋼管道泵處于國內領先地位。適用于輸送各種濃度和低濃度的硫酸等非氧化性強酸、有機酸、無機鹽和各種有機溶劑。無論是在化工、石化、制藥、農藥、日化、化纖、水處理、機械、冶金還是環保行業,SL耐腐蝕玻璃鋼管道泵都是防腐領域的理想選擇。
SL型耐腐蝕玻璃鋼管道泵技術參數:
流量:3.2~12.5m3/h;
揚程:12.5~32m;
轉速:2900r/min;
功率:0.75~4KW;
口徑:25 ~ 50mm,
適用溫度:<100℃。
適用范圍 本玻璃鋼泵廣泛適用于化工、石化、制藥、農藥、日化、化纖、水處理、機械、冶金、環保等行業的防腐蝕領域。
SL型耐腐蝕玻璃鋼管道泵性能參數
本數據僅供參考。
型 號 | 流 量 | 揚 程 | 轉 速 | 汽蝕余量 | 效率 | 電機功率 |
SL25-12.5 | 3.2 | 12.5 | 2900 | 3 | 37 | 0.55 |
SL40-20 | 6.3 | 20 | 2900 | 3 | 45 | 1.1 |
SL50-20 | 12.5 | 20 | 2900 | 3 | 57 | 2.2 |
SL50-32 | 12.5 | 32 | 2900 | 3 | 47 | 3/4 |
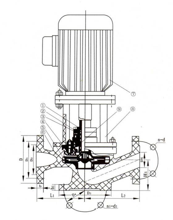
SL型耐腐蝕玻璃鋼管道泵結構圖紙:

1 軸 2 軸套 3 機械密封 4 泵蓋 5 葉輪 6 泵體 7 電機 8 聯接架 9 密封壓蓋
安裝尺寸:
SL型耐腐蝕玻璃鋼管道泵本數據僅供參考。

SL型耐腐蝕玻璃鋼管道泵型號定義:

SL型耐腐蝕玻璃鋼管道泵注意事項:
1、本玻璃鋼泵在安裝前根據選定泵型,按外形及安裝尺寸做好地腳基礎,安裝時根據管路位置的要求,
盡量使安裝的位置便利管理和維修。
2、安裝的位胃泉體如果高于液面,必須附裝灌液裝置。
3、泵起動前先將液體灌滿泵體后開車,嚴禁無介質運轉和倒轉,否則泵體內因缺泛液體冷卻而
損壞機械密封。
4、停車時應關閉液管閥門,避免液體倒流。
5、定時檢查,電機電流值,不得超過電機額定電流。
6、注意平時保養,經常檢查泵運行是否平穩。有無異常震動,注意更換彈性塊。視油標補充軸
承的潤滑油,定期更換機架中的潤滑油(一般三個月必須換1次)。





