
JMZ系列隔膜計量泵產品概述
JMZ系列隔膜計量泵是一種精密計量泵,專為滿足高精度流體計量的需求而設計。其優異的性能和可靠的運行使其在各種工業應用中脫穎而出。該系列泵采用先進的隔膜技術。通過這項技術,可以精確控制泵的輸送能力,并且可以應對各種高壓和低壓環境。這種設計提供了出色的壓力穩定性和流量線性,從而確保精確的流體計量。JMZ系列隔膜計量泵有很多優點。其堅固的設計和高質量的材料使其具有長壽命和高可靠性。同時,該系列泵易于維護和維修,進一步降低了運行成本。此外,其緊湊的設計和低噪音使其適用于各種空間有限的環境。
JMZ型隔膜計量泵廣泛用于各種行業,包括化學、石油和天然氣、食品和飲料、制藥和水處理。其精確的測量能力有助于提高生產效率,降低運營成本,保證產品質量。
可調計量范圍:0-560L/H
最大壓力范圍:0-0.6MPa
驅動方式:電機驅動
控制方式:手動、自動控制(可接收4-20mA信號來調節流量)
1、鑄鋁殼體,散熱性能高,整體重量輕,適用各種酸堿藥液,無毒無味。
2、采用偏心曲軸機構。
3、接觸介質泵頭為PVC、可選PTFE、及不銹鋼材質。
4、性價比高,普遍適用于,壓力要求不高的水處理行業。
5、在泵運行或停止時也可任意調節流量也可定量輸出。
6、隔膜為多層復合結構壓制而成,第一層超韌性Teflon耐酸薄膜,第二層EPDM彈性橡膠,第三層厚度3.mm SUS304支撐鐵芯,第四層采用強化尼龍纖維補強,第五采用EPDM彈性橡膠完全包履,可有效提升隔膜使用壽命。
JMZ系列隔膜式計量泵技術參數:
| 泵頭部位材料 | 工作條件 |
| 計量泵頭: 聚氯乙烯、SUS304、SUS316、聚四氟乙烯 | 環境溫度: -30℃ ##-90℃ |
| 計量閥: 聚氯乙烯、SUS304、SUS316、聚四氟乙烯 | 電機: 二相、三相標準電機或防爆電機 |
| 閥球: 二氧化硅、SUS304、SUS316、陶瓷 | 功率:0.55 |
| 密封: 聚四氟乙烯、聚氯乙烯 | 防護等級:IP54 |
JMZ系列隔膜式計量泵性能參數:

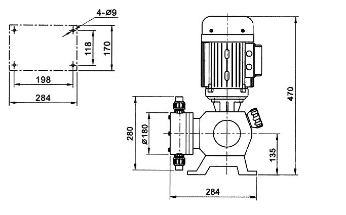
安裝尺寸:
本數據僅供參考。
JMZ系列隔膜式計量泵外形安裝尺寸圖:






