
JDY-ZR型液壓隔膜式計量泵產品概述:
DY-ZR型 液壓隔膜式計量泵一種精確且可靠的流體輸送設備,其設計靈活,可以滿足各種不同的應用場景。這種泵以兩種調節方式提供無與倫比的靈活性:改變泵的柱塞行程長度以及改變輸入的電源頻率。
一、DY-ZR型液壓隔膜式計量泵可以通過改變泵的柱塞行程長度進行調節。這種方法可以在泵的停機或運行狀態下進行。通過使用調量表和千分尺來指示柱塞的相對行程值,用戶可以精確控制流體的輸送量。這種調節方式適用于需要手動調節流量的場合,例如實驗室或生產過程中需要精確控制流體輸送的環節。
二、DY-ZR型液壓隔膜式計量泵還可以采用變頻電機與變頻器組合的方式進行調節。改變輸入的電源頻率可以改變泵的轉速,進而改變流量大小。這種調節方式適用于自動、遙控及計算管理調節方式。通過使用先進的變頻技術,用戶可以實現對泵的遠程控制,無需直接接觸設備即可實現流體的精確輸送。
三、DY-ZR型液壓隔膜式計量泵還具有以下優點:
1. 高精度:液壓隔膜計量泵的計量精度在±1%以內,可以滿足高精度的流體輸送需求。
2. 廣泛適用性:液壓隔膜計量泵可以用于向加壓或常壓容器及管道內精確定量輸送不含固體顆粒的液體。其流量可以在開機(或定機)時從0-100%范圍內無級調節。此外,它還可以廣泛應用于石油、化工、紡織、食品、造紙、原子能技術、電廠、塑料、制藥、水廠、環保等工業和科技部門。
3. 節能環保:液壓隔膜計量泵采用液壓隔膜技術,可有效防止輸送過程中可能產生的泄漏問題,確保流體的安全輸送。同時,其高效的能源利用率也使其成為節能環保的典范。
4. 維護簡便:液壓隔膜計量泵結構簡單,操作方便,易于維護。即使在生產過程中出現故障,用戶也可以根據說明書自行進行檢修或更換部件。
5. 多種組合方式:液壓隔膜計量泵可以根據用戶需要制造同機座同規格的多聯組合或不同機座不同規格組合。多聯式適用于工藝流程中需多種介質的比例配送。同時,單缸泵適用于單一液體的場合;組合泵可作比例泵使用,也可并聯使用;泵組合可作為三比例泵使用,也可三泵并聯,以達到較大排量,增高了液體的脈沖頻率,促使液體連續順暢加入。
DY-ZR型液壓隔膜式計量泵可調計量范圍:0-630L/H
最大壓力承受范圍:0-25MPa
驅動方式:電機驅動
控制方式:手動、自動控制 (可接收4-20mA信號來調節流量)
配置方式:泵頭保溫、冷卻、電機可配防爆
1、綜合了機械隔膜式與柱塞式計量泵的雙重優點。
2、噪音小,經久耐用。
3、吐出壓力最高一款系列可達500KG。
4、定量輸出,在泵運行或停止時也可任意調節流量,計量精確度到正負百分之一。
5、通過液壓及N型曲軸機構來傳遞動力,性能平穩。
DY-ZR型液壓隔膜式計量泵的使用:
DY-ZR型液壓隔膜式計量泵運轉前的準備工作
1.安裝驗收合格后,開機前應檢査各連接處螺栓、螺母不允許有任何松動,新泵應清除泵上的防腐或污垢,清除時應用煤油檫洗,切用鏟刮。
2.液壓油箱內注入適量的L-HM46液壓油,油量以油標水平中線為準。
3.傳動箱內注入適量的L-CKE460蝸輪油(SH/T0094-199)或L-CKE460工業閉式齒輪油(GB5903-1995),油量以油標水平中線為準。
4.用手動聯軸器或電機,使柱塞全行程往復移動若干次,不得有任何卡阻現象。
5.按電機各牌接通電源,啟動電機,檢査電機的旋轉方向是否與轉向標志一致。(注:此時管路上的進出口闊應處于完全敞開狀態,否則后果自負)
DY-ZR型液壓隔膜式計量泵的流量調節:
1.根據工藝流程的流量要求,將調量表或刻度盤轉相應的指示值。流量的調節應從小到大的原則。若需從大到小調節時(流量表),觀察指針隨調節手輪的旋轉而游動,當指針到要求位置時,并超過數格,再向大流量方向使指針,調要求值。調節完畢,需將手輪鎖緊。
2.流量調節可以在停車或運轉中進行,調定后泵的流量約需1-2分鐘才能穩定,流量越大,穩定時間就越長。
3.過載闊的調整,在出廠前已按額定排出壓力調定,如實際排出壓力與額定排出壓力不同時按下表(1)進行調整。
表(1)單位:MPa
實際排出壓力 | 0.2-1.0 | 1.3-4.0 | 5.0 -8.0 | 10.0 -16.0 |
闊開啟壓力% | 0.15P | 0.3P | 0.2P | 0.1P |
注:P為額定壓力。為了安全,建議非專業人員不得隨意調動。
4.完成上述各項工作后,確認無誤,方可投入運行。
5.停機前首先使出口節流闊處于完全開狀態,排出壓力降至常壓,此時才能切斷電源停止運行。
計量泵的維護及拆裝
維護
1.傳動箱、液壓油箱內應保持指定的油位,不應過多或過少。
2.潤滑油和液壓油應干凈無雜后,并按下表(2)周期進行更換。
表(2)
| 油類 | 使用期限 | 換油周期 |
| 潤滑油 | 開始3-6個月 | 每3個月更換一次 |
| 潤滑油 | 6個月以后 | 每6個月更換一次 |
| 液壓油 | 開始2-5個月 | 每2個月更換一次 |
| 液壓油 | 5個月以后 | 每5個月更換一次 |
3.泵運轉2000-3000小時以后,應拆開檢査內部零件,進行檢修和更換易損件。
4.泵若長期停用,應將液缸內的介質排凈放干,并把表面清洗干凈,外露加工表面需防銹油。存放期內泵應置于干燥處。
拆卸與裝配
液壓隔膜式式計量泵液力端的拆卸。擰開液壓油箱底處的內六角螺塞,放掉箱內的液壓油,盤動電機聯軸器,把活塞移向前死點,將活塞從十字頭上拆出,將液壓端從機座上拆下來然后按以下順序拆下液力端各部件:
1.拆下放氣過載闊和補償闊總成;
2.拆下進出口壓闊法蘭,依次取出闊套,〔闊芯、彈簧)闊座;
3.擰開缸蓋上的固定螺母,拆下缸蓋,依次取液壓隔膜式;
4. 拆下缸體與油箱的螺栓,取下缸體、柱塞、液缸,再取下限位闊組件。
5.卸下液壓油箱與傳動箱的聯接螺母,取下油箱。
裝配按下列順序進行:
按液壓隔膜式計量泵液壓端拆卸順序的逆序裝在傳動箱上。調節好補油闊和放氣過載闊,在裝放氣過載闊前,從放氣過載闊油孔加足液壓油,使液壓腔內的氣體排出。裝配完畢,轉動聯軸器, 應運轉自如,無卡阻現象。
| 泵頭部位材料 | 工作條件 |
| 計量泵頭:SUS304、SUS316 | 環境溫度: -30℃ ##-90℃ |
| 計量閥: SUS304、SUS316 | 電機: 二相、三相標準電機或防爆電機 |
| 閥球: 二氧化硅、SUS304、SUS316、陶瓷、氧化鋯 | 功率:0.75KW 1.1KW 1.5KW |
| 密封: 聚四氟乙烯 | 防護等級:IP54 |
DY-ZR型液壓隔膜式計量泵裝配圖:
序號 | 零件名稱 | 件數 |
| 序號 | 零件名稱 | 件數 |
1 | 電機 | 1 | 25 | 柱塞 | 1 | |
2 | 內六角螺栓 | 4 | 26 | 0型密封圈 |
| |
3 | 彈簧墊圈 | 4 | 27 | 0型密封圈 | 1 | |
4 | 上軸承座 | 1 | 28 | 進油閥總成 | 1 | |
5 | 內六角螺栓 | 4 | 29 | 進出水接口 | 1 | |
6 | 彈簧墊圈 | 8 | 30 | 單向閥總成 | 2 | |
7 | 連桿 | 1 | 31 | 限位閥總成 | 2 | |
8 | 蝸輪 | 1 | 32 | 膜片 | 1 | |
9 | 泵體 | 1 | 33 | 螺帽M16 | 1 | |
10 | 軸承 | 1 | 34 | 彈簧墊圈 | 10 | |
11 | 偏心輪 | 1 | 35 | 泵頭 | 10 | |
12 | 曲軸 | 1 | 36 | 雙頭螺栓 | 1 | |
13 | 軸承 | 1 | 37 | 彈簧墊圈 | 8 | |
14 | 軸承隔套 | 1 | 38 | 螺帽 | 8 | |
15 | 下蓋板 | 1 | 39 | 0型密封圈 | 8 | |
16 | 0型密封圈 | 1 | 40 | 0型密封圈 | 1 | |
17 | 鎖夾 | 1 | 41 | 透氣過載閥總成 | 1 | |
18 | 油池 | 1 | 42 | 柱塞鎖帽 | 1 | |
19 | 密封墊片 | 1 | 43 | 螺絲 | 1 | |
20 | 放油螺塞 | 1 | 44 | 復合軸承 | 3 | |
21 | 油封壓板 | 1 | 45 | 活塞銷 | 1 | |
22 | 油封 | 1 | 46 | 蝸桿 | 1 | |
23 | 0型密封圈 | 1 | 47 | 軸承6007 | 1 | |
24 | 活塞 | 1 | 48 |
|
安裝說明
泵的安裝
1.泵應安裝在高于地面300-500毫米高混疑土上,將泵以水平狀態校正;多聯泵安裝應注意以泵的相間聯軸器為校正基準,同心度偏差不得超過0.15毫米〔彈性聯軸器),鋼性聯軸器應在0.05毫米之內;
2.將泵浦安裝在高于藥槽200-300皿的堅固基礎上,并水平安裝。
3.吸排管路上不應有急劇的彎頭〔不大于90°),并應盡量減少管路中彎曲和增加阻力的部件。
4.勿將泵浦及藥槽安裝在日光直接照射之處。
5.藥槽平時應補充藥液及保養檢査之需,請置于較寬敞的場所。
6.請勿安裝在易按觸濕氣或腐蝕性氣體之處。
7.泵浦安裝之周圍溫度在-20~+40℃,高度在海拔1000M以下使用。
管路安裝
1.吸入配管通徑不能少于泵的吸入闊口徑,并應盡量縮短吸入管道長度,一般2-3米為宜; 如必須增加長度時,則應適當加長,但長度不得超過5米(但啟動時的吸入液體時間相對延長)。
2.與吸入、排出闊〔法蘭)聯接的管道,不能強行結合而使泵闊增加負荷,不得將管道及闊門等的重量由泵和吸排闊承擔。管路安裝完畢應支承并固定好管件。
特殊液體對管道通量的增加
1.為了確保泵的安全運營以及管路系統的安全,應在排出管道上設置安全闊,如需要減少被輸送液體的脈沖,可在靠近泵排出管路上安裝緩沖器。
2.對于輸送懸浮液及易產生沉淀的介質,在泵的吸入及排出附近應增設闊門及三通,以便在泵運營停止時不拆開管路就能進行缸體內沖洗。
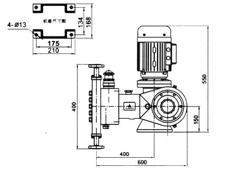
安裝規范(按裝圖)
泵安裝的其它技術要求應符合《機械設備安裝工作施工及驗收規范》TJ231 (五)-78-泵安裝的有關規定。

安裝尺寸





