
產品介紹
BF不銹鋼加藥泵(臥式管道泵)--產品概述:
EJIAMP/意嘉品牌BF不銹鋼加藥泵(臥式管道泵)是一種臥式管道泵由長軸電機直聯方式結構,大大降低了在工作時產生的噪音。泵的葉輪采用全封閉式結構形式,由于產品集優良結構、性能、造型于一身,兼過流零部件及連接架采用優質不銹鋼材料制造,所以,兩系列產品具有耐腐蝕性能可靠,使用維護方便、結構緊湊、能耗低、密封性能好等一系列優點。
BF不銹鋼加藥泵(臥式管道泵)--主要用途:
改變了傳統的電機套軸,采用了電機不銹鋼一次出軸,具有精度高,燥音低,杜絕了機封泄露原音,具有耐腐蝕、耐高溫優點,適用于環保、化工、印染等行業。加料和循環。
BF不銹鋼加藥泵(臥式管道泵)--型號意義:
BF 50-40-150
| | | |
| | | |______ 葉輪直徑(mm)
| | |
| | |__________ 出口(mm)
| |
| |_____________進口(mm)
|
|_________________ 耐腐蝕加藥泵
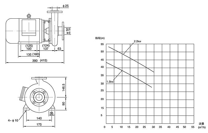
BF不銹鋼加藥泵(臥式管道泵)--連接尺寸:





BF不銹鋼加藥泵(臥式管道泵)--技術參數:
| 規格型號 | 電機功率 | 轉速(N) | 揚程(M) | 流量(T) | 數量(臺) | 價格(元) | 備注 |
| BF15-15-110 | 0.55KW | 2850 | 20 | 0.5 | 1 | ||
| BF20-15-120 | 0.75KW | 2850 | 20 | 1.5 | 1 | ||
| BF25-20-120 | 0.75KW | 2850 | 25 | 1.5 | 1 | ||
| BF32-25-130 | 0.75KW | 2850 | 25 | 2 | 1 | ||
| BF32-25-140 | 1.1KW | 2850 | 25 | 3 | 1 | ||
| BF40-32-110 | 1.1KW | 2850 | 20 | 5 | 1 | ||
| BF40-32-140 | 1.5KW | 2850 | 25 | 8 | 1 | ||
| BF32-25-170 | 1.5KW | 2850 | 38 | 6 | 1 | ||
| BF25-20-170 | 1.5KW | 2850 | 40 | 6 | 1 | ||
| BF40-32-145 | 2.2KW | 2850 | 28 | 10 | 1 | ||
| BF32-25-170 | 2.2KW | 2850 | 50 | 8 | 1 | ||
| BF25-20-170 | 2.2KW | 2850 | 50 | 8 | 1 | ||
| BF50-32-160 | 3KW | 2850 | 40 | 18 | 1 | ||
| BF50-40-150 | 3KW | 2850 | 25 | 25 | 1 | ||
| BF65-50-130 | 3KW | 2850 | 20 | 20 | 1 | ||
| BF65-50-140 | 4KW | 2850 | 25 | 35 | 1 | ||
| BF50-40-160 | 4KW | 2850 | 25 | 30 | 1 | ||
| BF65-50-150 | 5.5KW | 2850 | 25 | 45 | 1 | ||
| BF65-50-170 | 7.5KW | 2850 | 25 | 55 | 1 |
法蘭都按10公斤國標。耐高溫,耐腐,國標304,316.




