
DY-D型液壓隔膜式計量泵產品概述:
液壓隔膜式計量泵的液力端借助于隔膜來組成工作腔,以隔膜周期性變形來代替活塞(柱塞)的往復運動的泵,稱為液壓隔膜泵。
DY-D型液壓隔膜式計量泵適用范圍:
DY-D型液壓隔膜式計量泵適用于由一般的常溫清水直至具有強腐蝕,易揮發、已結晶、易燃、易爆、劇毒、惡臭、腐蝕性強,比重大、中等粘度,有放射性或其它貴重液體等。同時也可輸送懸浮液體,對一些為防止隔膜破裂后,介質與液壓油混合引起事故,對易燃易爆、劇毒及貴重液體時,可選用雙隔膜計量泵并帶隔膜破裂報警裝置。
DY-D型液壓隔膜式計量泵產品特點:
1、無動密封,無泄漏,維修簡便:
2、工作壓力可達30MPa,計量精度可達±1%;
3、計量精度優于機械隔膜泵,密封性能優于柱塞泵;
4、流量大小控制通過調節;中程長度和變頻器調速來實現,配:中 程調節器可以實現遠程自動控制;
5、介質的使用溫度不宜超過100℃,不宜低于-30℃,否則影響隔膜的使用壽命;
6、應用先進過載、限位、補油三閥機構,即保證液壓腔內液壓油的滿足,又避免補油過量,防止液壓;中擊,從而使隔膜兩側受力平衡,提高隔膜的使用壽命,隔膜壽命可提高到8000h以上;
7、 在輸送特殊介質時,可采用雙隔膜帶隔膜破裂報警裝置,防止隔膜破裂時,介質與液壓油混合引起事故。
DY-D型液壓隔膜式計量泵性能參數:
本數據僅供參考。
序 號 | 型 號 | 流 量 (L/h) | 壓 力 (Mpa) | 行 程 (mm) | 泵 速 (min-1) | 功 率 (kW) | 柱塞直徑 (mm) | 進出口徑 (mm) |
1 | DY-D45/40 | 45 | 40 | 40 | 127 | 4 | 16 | 10 |
2 | DY-D45/30 | 45 | 30 | 40 | 127 | 3 | 16 | |
3 | DY-D70/28 | 70 | 28 | 40 | 127 | 4 | 20 | |
4 | DY-D70/20 | 70 | 20 | 40 | 127 | 3 | 20 | |
5 | DY-D105/28 | 105 | 28 | 40 | 155 | 4 | 20 | |
6 | DY-D105/20 | 105 | 20 | 40 | 155 | 3 | 20 | |
7 | DY-D165/18 | 165 | 18 | 40 | 155 | 4 | 25 | 15 |
8 | DY-D165/13 | 165 | 13 | 40 | 155 | 3 | 25 | |
9 | DY-D270/11 | 270 | 11 | 40 | 155 | 4 | 32 | |
10 | DY-D270/8 | 270 | 8 | 40 | 155 | 3 | 32 | |
11 | DY-D320/10 | 320 | 10 | 40 | 155 | 4 | 35 | |
12 | DY-D320/7 | 320 | 7 | 40 | 155 | 3 | 35 | |
13 | DY-D420/6.8 | 420 | 6.8 | 40 | 155 | 4 | 40 | 20 |
14 | DY-D420/5.5 | 420 | 5.5 | 40 | 155 | 3 | 40 | |
15 | DY-D550/5.8 | 550 | 5.8 | 40 | 155 | 4 | 45 | |
16 | DY-D550/4.2 | 550 | 4.2 | 40 | 155 | 3 | 45 | |
17 | DY-D680/4.5 | 680 | 4.5 | 40 | 155 | 4 | 50 | |
18 | DY-D680/3.5 | 680 | 3.5 | 40 | 155 | 3 | 50 | |
19 | DY-D820/3.8 | 820 | 3.8 | 40 | 155 | 4 | 55 | |
20 | DY-D820/2.8 | 820 | 2.8 | 40 | 155 | 3 | 55 | |
21 | DY-D1000/3 | 1000 | 3 | 40 | 155 | 4 | 60 | 25 |
22 | DY-D1000/2.2 | 1000 | 2.2 | 40 | 155 | 3 | 60 | |
23 | DY-D1180/2.5 | 1180 | 2.5 | 40 | 155 | 4 | 65 | |
24 | DY-D1180/2 | 1180 | 2 | 40 | 155 | 3 | 65 | |
25 | DY-D1350/2.3 | 1350 | 2.3 | 40 | 155 | 4 | 70 | |
26 | DY-D1350/1.6 | 1350 | 1.6 | 40 | 155 | 3 | 70 | |
27 | DY-D1580/2 | 1580 | 2 | 40 | 155 | 4 | 75 | |
28 | DY-D2000/1.5 | 2000 | 1.5 | 40 | 155 | 4 | 85 | 40 |
29 | DY-D2000/1.0 | 2000 | 1 | 40 | 155 | 3 | 85 | |
30 | DY-D2300/1.3 | 2300 | 1.3 | 40 | 155 | 4 | 90 | |
31 | DY-D2300/0.8 | 2300 | 0.8 | 40 | 155 | 3 | 90 | |
32 | DY-D2800/1 | 2800 | 1 | 40 | 155 | 4 | 100 | |
33 | DY-D3500/0.8 | 3500 | 0.8 | 40 | 155 | 4 | 110 |
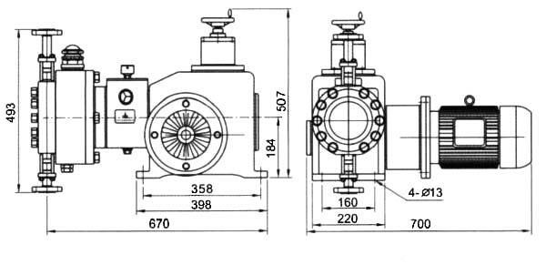
安裝尺寸:
本數據僅供參考。
DY-D型液壓隔膜式計量泵的外形安裝尺寸圖






